德(de)國BERNSTEIN博恩斯坦塑料(liao)外殼傳感器SKT-U1Z M3 SKT-SU1Z M3



電(dian)(dian)容(rong)式(shi)接(jie)近(jin)開(kai)(kai)關的(de)(de)(de)(de)功能是評(ping)估操(cao)作(zuo)頭對開(kai)(kai)關感(gan)應面電(dian)(dian)場(chang)施加的(de)(de)(de)(de)影(ying)響。電(dian)(dian)容(rong)器是由(you)一個位于感(gan)應面之后(hou)的(de)(de)(de)(de)傳感(gan)器電(dian)(dian)*和一個接(jie)地操(cao)作(zuo)頭組(zu)成的(de)(de)(de)(de),它的(de)(de)(de)(de)電(dian)(dian)容(rong)量隨(sui)著物體的(de)(de)(de)(de)接(jie)近(jin)程度而(er)隨(sui)之增(zeng)加。電(dian)(dian)容(rong)的(de)(de)(de)(de)增(zeng)強取決于操(cao)作(zuo)頭的(de)(de)(de)(de)電(dian)(dian)導率、介電(dian)(dian)常(chang)數、質量、表(biao)面積和它到傳感(gan)器電(dian)(dian)*的(de)(de)(de)(de)距(ju)離。電(dian)(dian)容(rong)式(shi)限(xian)位開(kai)(kai)關配(pei)備了RC振(zhen)動器,它的(de)(de)(de)(de)增(zeng)益系數在前(qian)述電(dian)(dian)容(rong)器發生電(dian)(dian)容(rong)量上升(sheng),而(er)導致振(zhen)蕩時,隨(sui)之增(zeng)加。在限(xian)位開(kai)(kai)關中,振(zhen)蕩所(suo)需電(dian)(dian)容(rong)量由(you)內置電(dian)(dian)位計對振(zhen)蕩器反(fan)饋測(ce)量得到。
	BERNSTEIN是**機械式低壓開關設備領域的知名制造商。我們的產品被廣泛應用于不同的場合,從施工升降機到木材加工,從包裝機器到機床,均可見到我們產品的身影。除了功能穩定、質量可靠外,BERNSTEIN開關系統還可以顯著節省安裝和維護所需的時間。這些優勢可以大幅降低停機維修和維護的時間,進一步提高了終端產品生產過程的效益。為實現這些特性,通過采用快接接頭來節省拉線開關,或者使用AS-i組件,不但縮短了安裝時間,還減少了機器內的硬件組件的數量和空間要求。
	
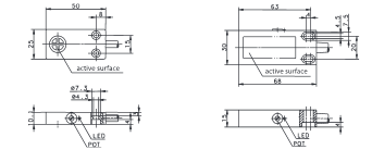
	1:無遮蔽盒裝絕緣(yuan)材料型號 SKT
	SKT-U1Z M3 SKT-SU1Z M3 SKT-A2Z M3 SKT-SA2Z M3
	2: 無遮蔽(bi)盒裝絕(jue)緣材料型(xing)號(hao) SKI
	SKI-U1Z M3 SKI-SU1Z M3 SKI-A2Z M3 SKI-UV15Z M3
	3:分離作動(dong)器(qi)**開關型(xing)號(hao) ENK…VTU
	ENK-U1Z VTU ENK-A2Z VTU ENK-UV15Z VTU
	4:無遮(zhe)蔽盒裝金屬(shu)材料型號 ENM2
	ENM2-U1Z VTW GC-U1 VT 90°
	5:塑料外殼內帶鎖 SLK
			資料下載
視頻介紹